Ham-radio - Rx-Ant´s - Beverages
|
|
Intro
I will not explain any basics about Beverages here, please use a search-engine for that. This is my experience and history, nothing else.
|
2004/2005
Late in 2004 the former horse-ground east of the lot was not rented for a while. On 23rd of december I gave myself an early present, installed a quick 160m long beverage, 100°/280". Not terminated, no transformer. A short ground rod on feeding side, 1 hour of work. Results were fine, wrkd/hrd several times 9V1GO on 160m and got a lot of rx-plus on 80m and TB.
But, luck lasted only some weeks... Early February 2005 a new tenant asked me to uninstall my crazy wire.
|

|
2006/2007
A nice one happened in late summer 2006. Renting the complete ground east, 100 x 200m, for some bucks was possible (not less, we are in Germany). But only a temporary installation, I must remove everything when mowing is necessary, normally 2-3 times a year, early May until October. Between mowing maybe some easy to build wires will be installed, 60° and 300°.
Installation consisted of 6 beverages, every 30°, each switchable uni- or bidirectional (unterminated). Hight 1 -1.5m, wooden posts from junk every 11m, 0.8mm Cu Wire, grounding rods galvanized steel 1,2m deep. Coax from stock, Belden 9907, well shielded; first 50m are buried, outside the lot layed on ground. Good visible lines parallel to beverage wire, against playing childs, deers and other "nearly blind" animals.

Details will follow in 2007/2008 report.
Some random experiences from winter 2006/2007: - B1 (90°/270°) is not working. Maybe the reason are 40m iron fence parallel to the wire, on the left side. Or those 50m coax direct under the beverage. - Cinch connectors in boxes were not reliable, connection problems. + No interaction between beverages and tx-Antenna. - 0.8mm Cu is not strong enough, some faults during storm. + nice performance, even unterminated without transformer.
PANORAMA-picture,taken from tower 12m agl. No scale. Please, for explanations move the mouse over the picture.

Some Impressions from installation:
|


|


|

|

|
| |
2007/2008
No changes in the main concept, but a lot of minor improvements as described below this overview picture:

Changes vs. 2006/2007: + beverage wire now 2 line military phonecable (for future changing to both side unidirectional). + B1 only 200m long, but its working now. Fault last year was obviously the iron fence or coax (described above). + B2, B4 and B5 are 10-20m longer. + using plastic posts now, easier to install. 15m between them. ("electric animal fence posts", ~1,50 EUR each) + added short radials (8 x 7m long) at the feedpoints. + Coax connectors at the boxes changed from Cinch to PL.
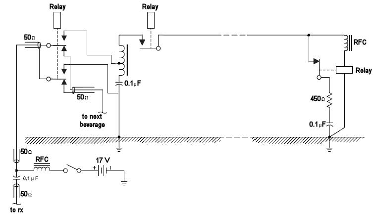
Electrical design
At F3,4,6 the same ground rod and set of short radials is used. For avoiding possible interaction total disconnection of nearly all components is realized in the boxes. For universal use the cases are all identical.

|
- Cases are IP54, 100x100x50mm, 1,01 EUR (Hornbach). - Cores FT114-43 (Reichelt). - Relais often used 12V "1000V isolation" types. Better are capsuled relais, these ones gets corrosion on contacts after a while. (possible to "clean" them with a small current over time, like here with the bidirectional current. Was discussed in "topband-reflector") - Resistors are 2 normal 860Ohm 1/2W in parallel, no need for special ones. - Bidirectional voltage is higher than 12V, there are some losses on wire and ground. - components are glued into the boxes. - all screws stainless steel. - Boxes are all measured with MFJ259B.
|


|

|
Controlbox with direction LEDs, also showing bidirectional mode.
|

|
Old military 2 wire phone line on my installation and garden haul.
|

|
Coax line on ground (left) Overview to west (right) Posts are 15m separated.
|

|

|
Crossing distance abt 25cm. White lines against "blind" animals and humans. Barely visable the dark beverage line.
|
 |

|
Termination with 120cm long galvanized steel rods. The 60° terminationbox is mounted at a tree (right).
|

|

|

|
Common feeding point 330°/0°/30°. On the right picture ground rod with short radials.
|

|

|

|
View to north. Only 100m possible.

|
Extra visible bands for protecting the short radials near the fence. This is a walking area.

|
ideas/plans
- Termination in all 12 directions - Playing with endfire and broadside arrays. A possible broadfire array to 0° and an endfire array for 300° below. Maybe when weather is open I will realize the endfire for VP6DX next weeks.

|